Part No. CA-20 (Lift Air Spring)
| Operating range | 110 – 270mm |
| Loading capacity at 6bar pressure, 180mm height | 14.8kN |
| Loading capacity at 8bar pressure, 180mm height | 20.0kN |
| Maximum diameter | 250mm |
| Maximum height | 280mm |
| Operating temperature | -40° – +60°C |
| Material | Natural Rubber |
Part No. CA-20FF (Lift Air Spring)
| Operating range | 110 – 310mm |
| Loading capacity at 6bar pressure, 200mm height | 15.8kN |
| Loading capacity at 8bar pressure, 200mm height | 21.7kN |
| Maximum diameter | 260mm |
| Maximum height | 320mm |
| Operating temperature | -40° – +60°C |
| Material | Natural Rubber |
Part No. CA-228/2.5 (Load Air Spring)
| Operating range | 90 – 360mm |
| Loading capacity at 6bar pressure, 240mm height | 28.0kN |
| Loading capacity at 7bar pressure, 240mm height | 33.0kN |
| Maximum diameter | 350mm |
| Maximum height | 370mm |
| Operating temperature | -40° – +60°C |
| Material | Natural Rubber |
Part No. CA-228/4.5 (Load Air Spring)
| Operating range | 90 – 400mm |
| Loading capacity at 6bar pressure, 240mm height | 31.1kN |
| Loading capacity at 7bar pressure, 240mm height | 37.0kN |
| Maximum diameter | 350mm |
| Maximum height | 410mm |
| Operating temperature | -40° – +60°C |
| Material | Natural Rubber |
Part No. CA-21/2 (Load Air Spring)
| Operating range | 220 – 370mm |
| Loading capacity at 6bar pressure, 230mm height | 43.3kN |
| Loading capacity at 7bar pressure, 230mm height | 51.1kN |
| Maximum diameter | 400mm |
| Maximum height | 380mm |
| Operating temperature | -40° – +60°C |
| Material | Natural Rubber |
Part No. 38 (Load Air Spring)
| Operating range | 260 – 430mm |
| Loading capacity at 6bar pressure, 280mm height | 26.8kN |
| Loading capacity at 7bar pressure, 280mm height | 31.8kN |
| Maximum diameter | 325mm |
| Maximum operating height | 450mm |
| Operating temperature | -40° – +60°C |
| Material | Natural Rubber |
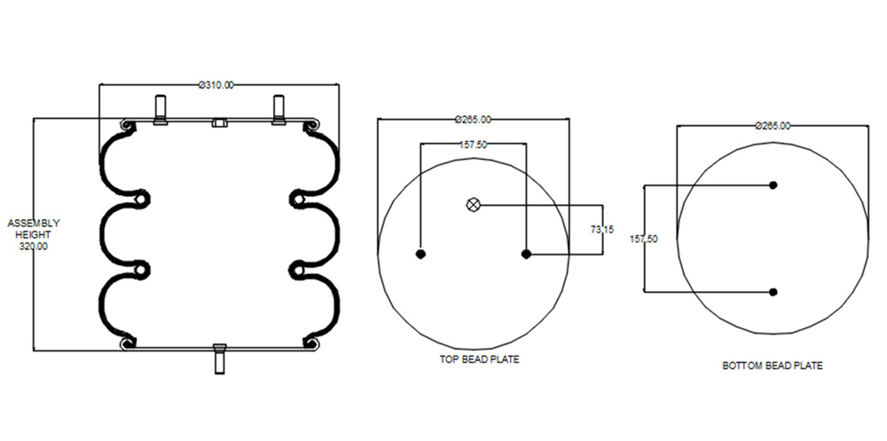
Part No. 265/320 (Load Air Spring)
| Design range | 290 – 390mm |
| Loading capacity at 6bar pressure, 300m height | 23.9kN |
| Loading capacity at 7bar pressure, 300mm height | 28.0kN |
| Maximum diameter | 310mm |
| Maximum operating height | 410mm |
| Operating temperature | -40° – +60°C |
| Material | Natural Rubber |






